라인스캔 카메라의 Image트리거 모드는 크게 두 가지가 있습니다. Free - run mode는 카메라에 설정된 고정 노출 시간 동안 연속적으로 촬상하는 방식으로 카메라의 exposure time 변경 시 Line rate도 자동으로 변경됩니다. External image trigger는 트리거 souce의 신호를 받아 촬상하는 모드로 Line Scan 카메라의 Line rate를 Trigger 신호로 결정하는 이미지 트리거 모드입니다.
이번 포스팅에서는 라인스캔 이미지 트리거 모드에 대해서 자세히 알아보겠습니다.
1. 라인 스캔 카메라 Image trigger mode
- Free Run Mode
Free Run Mode는 일정 yOffset 이후 카메라에 설정된 exposure time 에 만큼 쵤상이 시작되는 방식입니다. Free - Run Mode의 경우 Camera에서 계속적인 신호가 발생하여 촬상이 시작되므로 Grab타이밈ㅇ에 따라 대상체의 위치 변화가 생길 수 있습니다.

출처 : Basler
- External Image Trigger Mode
External Image Trigger mode는 트리거 신호가 감지된 이후부터 이미지 촬상을 시작하는 방식으로 특정 영역 촬영 시 이미지 시작 위치 병동에 따른 이미지 변동이 없습니다. 트리거 Source의 종류에는 소프트웨어 트리거와 하드웨어 트리거가 있습니다. 소프트웨어 트리거란 센서와 같은 외부 장치를 연동하지 않고 카메라 내부에서 촬영시점을 알려주는 신호를 발생하여 촬영하는 방식입니다. 하드웨어 트리거는 포토센서, 모션 센서등의 외부장치를 연동하여 외부 장치의 신호로부터 촬영시점을 알려주는 방식입니다.
External Image Trigger Mode 의 사용 이유는 아래와 같습니다.
첫째, 특정 위치를 시작점으로하여 동일한 위치에서 이미지를 촬상할 수 있습니다.
둘째, 엔코도와 카메라 컨트롤 신호를 사용하여 촬영 시 샘플의 모션 속도와 관계없이 동일한 조건의 영상을 취득할 수 있습니다.
(엔코더 동기 촬영 시 엔코더를 피사체의 이동속도, Line rate 와 동기 가능)
셋째, 설정된 트리거 source에 의해 촬상이 진행되므로 camera exposure에 따라 이미지 밝기 조절이 가능합니다.

출처 : Basler
2. External Image Trigger Mode의 종류
일반적으로 라인스캔 카메라는 트리거모드를 internal/ external 모드를 제공하며, external mode는 lien trigger, frame trigger, line + frame trigger를 제공합니다.

출처 : 제이디 비전
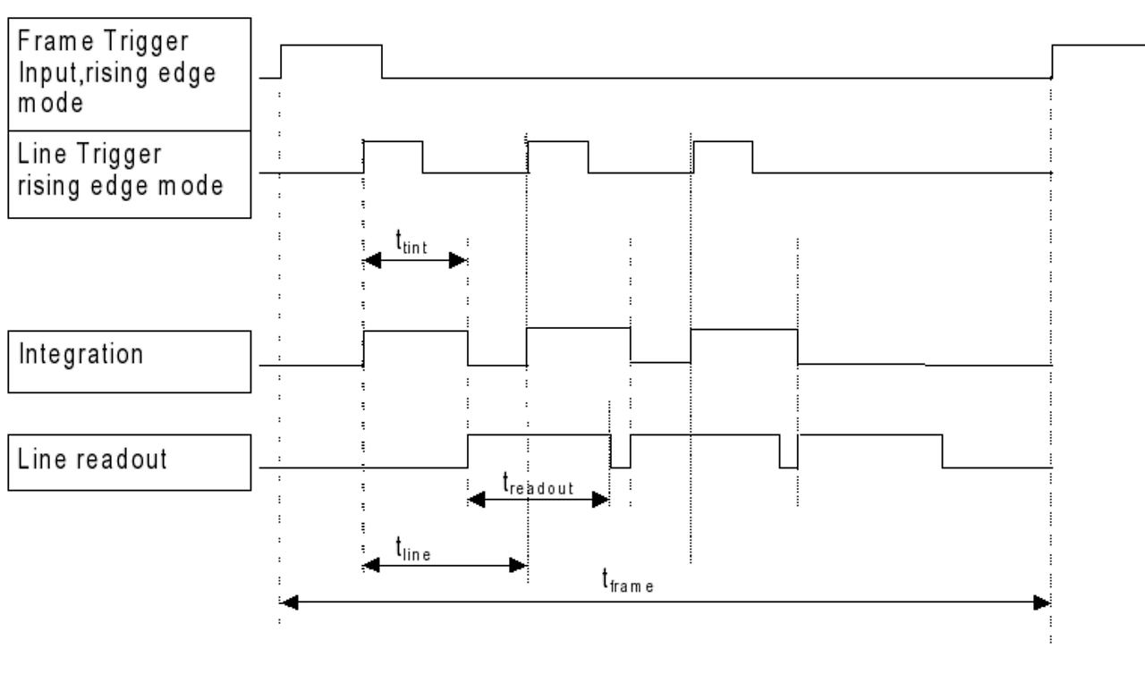
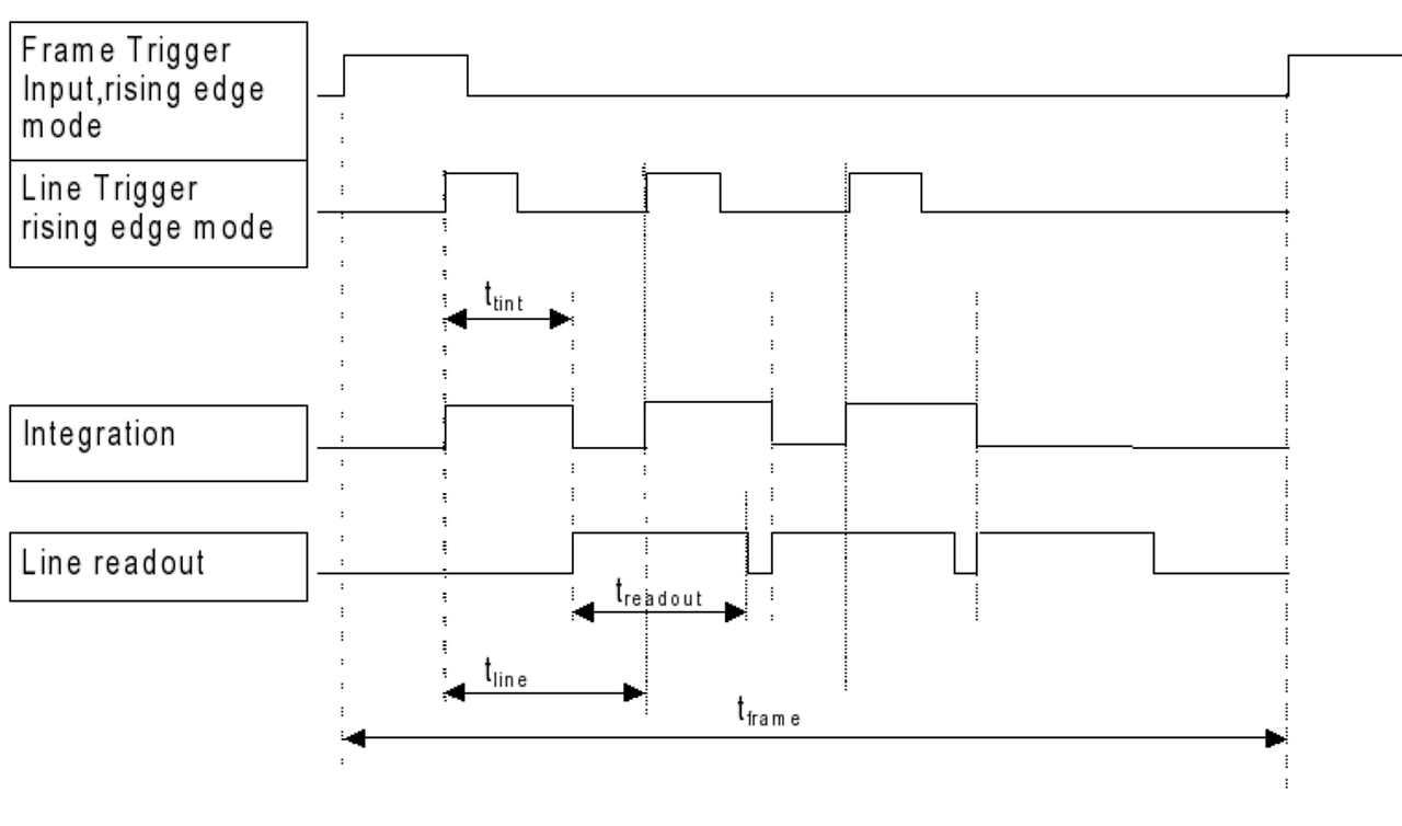
- Frame Trigger Mode
: 외부 트리거 신호가 Flame Grabber에 입력된 후 내부 트리거 신호를 발행하여 Grabber 에서 설정된 Y값 만큼 이미지를 촬상하는 방식입니다.(트리거 source 입력을 받아 영상의 전체 촬상하는 프레임 수를 설정)
- Line Trigger Mode
: 외부의 라인 트리거 신호를 받아 1개의 라인을 촬상하는 모드로 Line Scan Camera의 Line Rate를 trigger 신호로 결정하는 방식입니다. Line Trigger Mode에는 Edge mode와 Level Mode가 있습니다.

출처 : 선하이테크

출처 : matrix vision
3. 엔코더 동기 라인스캔
엔코더랑 축의 회전방향, 이동량, 각도를 감지하는 센서로, 이동량에 따라 A상, B상으로 불리는 펄스를 발생시키며, 해당 펄스를 카운트하여 스테이지의 이동속도 (=피사체의 이동속도)를 검출할 수 있습니다.
엔코더 동기 촬영은 트리거 source신호가 엔코더에 입력되면 보드에서 엔코더 신호 펄스 수를 count 하여 피사체의 이동속도와 Scan Rate를 동기시키는 방법입니다. 엔코더 신호의 입력 펄스를 카운트하는 방법은 A상, A상/B상 각각의 상승엣지(rising edge), 하강엣지(Falling edge)를 계산하는 방식을 사용합니다. 엔토더 카운트가 임의의 값에 도달하면 라인스캔카메라에서 camera control 신호를 출력하고 촬상을 시작하여 1라인을 취득하게 됩니다.

출처 : aval global

출처 : aval global
4. 참고링크
- 링크1 : 트리거 구조
- 링크2 : basler line scan image trigger mode
- 링크3: line trigger mode
- 링크4 : 라인스캔 카메라 frame trigger mode
- 링크5 : 라인스캔 카메라 datasheet
- 링크6 : 엔코더 동기 라인스캔
'비전 검사' 카테고리의 다른 글
| 06. 광학계 - 편광카메라 센서 구조 (0) | 2024.06.01 |
|---|---|
| 05. 광학계 - 렌즈 해상력(Lens resolution) (0) | 2024.06.01 |
| 04. 광학계 - 공간 분해능(Spatial Resolution) (0) | 2024.06.01 |
| 03. 광학계 - 이미지센서의 비교(CMOS/CCD) (0) | 2024.06.01 |
| 02. 광학계 - FOV(Field of vies) 계산 (0) | 2024.06.01 |